產品導航
聯系我們
河北維特電氣有限公司
手機:13932819377
郵箱:76663880@qq.com 地址:河北省武強縣大楊莊工業區
手機:13932819377
郵箱:76663880@qq.com 地址:河北省武強縣大楊莊工業區
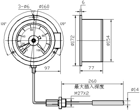
WTZ-288電接點溫度計
|
|
|
一、概況
WTZ-288型 系列電接點溫度計適用于16米距離內,測量范圍(-20~+120)℃,無腐蝕場合的溫度測量和控制。
WTZ-288型 系列電接點溫度計采用壓力式溫度計原理制成,具有結構簡單、使用方便和價格低廉等特點。

二、主要技術指標 WTZ-288、WTQ-288 電接點壓力式溫度計
1. 溫度標度和測量范圍(℃):
標度范圍 -20~+60 0~100 20~120
測量范圍 20~60 40~100 60~120
2. 指示精確度:1.5(測量范圍部分的要求)
3. 尾長(m):3,5,10,16(也可按照用戶要求定制。如不指明長度,
按5m供貨)
4. 電接點性能:
(1)接點型式:上,下限;(2)接點容量10VA(無感負載)
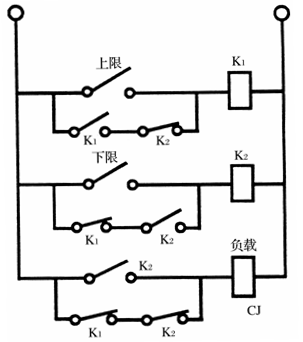
(2)接線圖:如圖二所示;(4)控制狀態說明:如表一所示
|
控制方式
|
被測量溫度值
|
接點工作狀態
|
|
|
上下限
|
小于上下限設定值
|
1-2
3-2
|
斷
閉
|
|
大于下限設定值
小于上限設定值
|
1-2
3-2
|
斷
斷
|
|
|
大于上下限設定值
|
1-2
3-2
|
閉
斷
|
|
三、外接線路參考
WTZ(Q)-288型系列電接點溫度計上下限電裝置的接點容量為10VA無感,所以每一個用戶都要解決接點功率放大問題。為了方便用戶,我們將具有抗振和滅弧效果的功放線路推薦如下:
線路提示:
該功放線路中的下限接點只要接觸一次,線圈回路便進入自鎖狀態。也只有當上限接點動作一次,下限回路才退出自鎖,從而實現保護電觸頭的要求。
產品所在位置:http://www.szqier.com.cn/products/wdj/54.html













